A journal of IEEE and CAA , publishes high-quality papers in English on original theoretical/experimental research and development in all areas of automation

Vol. 8,  No. 4, 2021

Display Method:
REVIEWS
An Overview of Recommendation Techniques and Their Applications in Healthcare
Wenbin Yue, Zidong Wang, Jieyu Zhang, Xiaohui Liu
2021, 8(4): 701-717. doi: 10.1109/JAS.2021.1003919
Abstract(3723) HTML (637) PDF(216)
Abstract:
With the increasing amount of information on the internet, recommendation system (RS) has been utilized in a variety of fields as an efficient tool to overcome information overload. In recent years, the application of RS for health has become a growing research topic due to its tremendous advantages in providing appropriate recommendations and helping people make the right decisions relating to their health. This paper aims at presenting a comprehensive review of typical recommendation techniques and their applications in the field of healthcare. More concretely, an overview is provided on three famous recommendation techniques, namely, content-based, collaborative filtering (CF)-based, and hybrid methods. Next, we provide a snapshot of five application scenarios about health RS, which are dietary recommendation, lifestyle recommendation, training recommendation, decision-making for patients and physicians, and disease-related prediction. Finally, some key challenges are given with clear justifications to this new and booming field.
Internet of Things for the Future of Smart Agriculture: A Comprehensive Survey of Emerging Technologies
Othmane Friha, Mohamed Amine Ferrag, Lei Shu, Leandros Maglaras, Xiaochan Wang
2021, 8(4): 718-752. doi: 10.1109/JAS.2021.1003925
Abstract(30223) HTML (1764) PDF(5176)
Abstract:
This paper presents a comprehensive review of emerging technologies for the internet of things (IoT)-based smart agriculture. We begin by summarizing the existing surveys and describing emergent technologies for the agricultural IoT, such as unmanned aerial vehicles, wireless technologies, open-source IoT platforms, software defined networking (SDN), network function virtualization (NFV) technologies, cloud/fog computing, and middleware platforms. We also provide a classification of IoT applications for smart agriculture into seven categories: including smart monitoring, smart water management, agrochemicals applications, disease management, smart harvesting, supply chain management, and smart agricultural practices. Moreover, we provide a taxonomy and a side-by-side comparison of the state-of-the-art methods toward supply chain management based on the blockchain technology for agricultural IoTs. Furthermore, we present real projects that use most of the aforementioned technologies, which demonstrate their great performance in the field of smart agriculture. Finally, we highlight open research challenges and discuss possible future research directions for agricultural IoTs.
PAPERS
Robustifying Dynamic Positioning of Crane Vessels for Heavy Lifting Operation
Jun Ye, Spandan Roy, Milinko Godjevac, Vasso Reppa, Simone Baldi
2021, 8(4): 753-765. doi: 10.1109/JAS.2021.1003913
Abstract(2464) HTML (549) PDF(59)
Abstract:
Construction crane vessels make use of dynamic positioning (DP) systems during the installation and removal of offshore structures to maintain the vessel’s position. Studies have reported cases of instability of DP systems during offshore operation caused by uncertainties, such as mooring forces. DP “robustification” for heavy lift operations, i.e., handling such uncertainties systematically and with stability guarantees, is a long-standing challenge in DP design. A new DP method, composed by an observer and a controller, is proposed to address this challenge, with stability guarantees in the presence of uncertainties. We test the proposed method on an integrated cranevessel simulation environment, where the integration of several subsystems (winch dynamics, crane forces, thruster dynamics, fuel injection system etc.) allow a realistic validation under a wide set of uncertainties.
Neural-Network-Based Control for Discrete-Time Nonlinear Systems with Input Saturation Under Stochastic Communication Protocol
Xueli Wang, Derui Ding, Hongli Dong, Xian-Ming Zhang
2021, 8(4): 766-778. doi: 10.1109/JAS.2021.1003922
Abstract(2489) HTML (619) PDF(107)
Abstract:
In this paper, an adaptive dynamic programming (ADP) strategy is investigated for discrete-time nonlinear systems with unknown nonlinear dynamics subject to input saturation. To save the communication resources between the controller and the actuators, stochastic communication protocols (SCPs) are adopted to schedule the control signal, and therefore the closed-loop system is essentially a protocol-induced switching system. A neural network (NN)-based identifier with a robust term is exploited for approximating the unknown nonlinear system, and a set of switch-based updating rules with an additional tunable parameter of NN weights are developed with the help of the gradient descent. By virtue of a novel Lyapunov function, a sufficient condition is proposed to achieve the stability of both system identification errors and the update dynamics of NN weights. Then, a value iterative ADP algorithm in an offline way is proposed to solve the optimal control of protocol-induced switching systems with saturation constraints, and the convergence is profoundly discussed in light of mathematical induction. Furthermore, an actor-critic NN scheme is developed to approximate the control law and the proposed performance index function in the framework of ADP, and the stability of the closed-loop system is analyzed in view of the Lyapunov theory. Finally, the numerical simulation results are presented to demonstrate the effectiveness of the proposed control scheme.
Performance Evaluation of Public Bus Transportation by Using DEA Models and Shannon’s Entropy: An Example From a Company in a Large City of China
Zicheng Liu, Naiqi Wu, Yan Qiao, Zhiwu Li
2021, 8(4): 779-795. doi: 10.1109/JAS.2020.1003405
Abstract(2231) HTML (643) PDF(83)
Abstract:
The purpose of this paper is to assess the operational efficiency of a public bus transportation via a case study from a company in a large city of China by using data envelopment analysis (DEA) model and Shannon’s entropy. This company operates 37 main routes on the backbone roads. Thus, it plays a significant role in public transportation in the city. According to bus industry norms, an efficiency evaluation index system is constructed from the perspective of both company operations and passenger demands. For passenger satisfaction, passenger waiting time and passenger-crowding degree are considered, and they are undesirable indicators. To describe such indicators, a super-efficient DEA model is constructed. With this model, by using actual data, efficiency is evaluated for each bus route. Results show that the DEA model with Shannon’s entropy being combined achieves more reasonable results. Also, sensitivity analysis is presented. Therefore, the results are meaningful for the company to improve its operations and management.
Robust Latent Factor Analysis for Precise Representation of High-Dimensional and Sparse Data
Di Wu, Xin Luo
2021, 8(4): 796-805. doi: 10.1109/JAS.2020.1003533
Abstract(1804) HTML (707) PDF(82)
Abstract:
High-dimensional and sparse (HiDS) matrices commonly arise in various industrial applications, e.g., recommender systems (RSs), social networks, and wireless sensor networks. Since they contain rich information, how to accurately represent them is of great significance. A latent factor (LF) model is one of the most popular and successful ways to address this issue. Current LF models mostly adopt L 2-norm-oriented Loss to represent an HiDS matrix, i.e., they sum the errors between observed data and predicted ones with L 2-norm. Yet L 2-norm is sensitive to outlier data. Unfortunately, outlier data usually exist in such matrices. For example, an HiDS matrix from RSs commonly contains many outlier ratings due to some heedless/malicious users. To address this issue, this work proposes a smooth L 1-norm-oriented latent factor (SL-LF) model. Its main idea is to adopt smooth L 1-norm rather than L 2-norm to form its Loss, making it have both strong robustness and high accuracy in predicting the missing data of an HiDS matrix. Experimental results on eight HiDS matrices generated by industrial applications verify that the proposed SL-LF model not only is robust to the outlier data but also has significantly higher prediction accuracy than state-of-the-art models when they are used to predict the missing data of HiDS matrices.
Distributed Fault-Tolerant Containment Control for Nonlinear Multi-Agent Systems Under Directed Network Topology via Hierarchical Approach
Shuyi Xiao, Jiuxiang Dong
2021, 8(4): 806-816. doi: 10.1109/JAS.2021.1003928
Abstract(1392) HTML (604) PDF(98)
Abstract:
This paper investigates the distributed fault-tolerant containment control (FTCC) problem of nonlinear multi-agent systems (MASs) under a directed network topology. The proposed control framework which is independent on the global information about the communication topology consists of two layers. Different from most existing distributed fault-tolerant control (FTC) protocols where the fault in one agent may propagate over network, the developed control method can eliminate the phenomenon of fault propagation. Based on the hierarchical control strategy, the FTCC problem with a directed graph can be simplified to the distributed containment control of the upper layer and the fault-tolerant tracking control of the lower layer. Finally, simulation results are given to demonstrate the effectiveness of the proposed control protocol.
Fixed-Time Output Consensus Tracking for High-Order Multi-Agent Systems With Directed Network Topology and Packet Dropout
Junkang Ni, Peng Shi, Yu Zhao, Zhonghua Wu
2021, 8(4): 817-836. doi: 10.1109/JAS.2021.1003916
Abstract(5708) HTML (593) PDF(151)
Abstract:
This paper studies the problem of fixed-time output consensus tracking for high-order multi-agent systems (MASs) with directed network topology with consideration of data packet dropout. First, a predictive compensation based distributed observer is presented to compensate for packet dropout and estimate the leader’s states. Next, stability analysis is conducted to prove fixed time convergence of the developed distributed observer. Then, adaptive fixed-time dynamic surface control is designed to counteract mismatched disturbances introduced by observation error, and stabilize the tracking error system within a fixed time, which overcomes explosion of complexity problem and singularity problem. Finally, simulation results are provided to verify the effectiveness and superiority of the consensus tracking strategy proposed. The contribution of this paper is to provide a fixed-time distributed observer design method for high-order MAS under directed graph subject to packet dropout, and a novel fixed-time control strategy which can handle mismatched disturbances and overcome explosion of complexity and singularity problem.
Decoupling Adaptive Sliding Mode Observer Design for Wind Turbines Subject to Simultaneous Faults in Sensors and Actuators
Hamed Habibi, Ian Howard, Silvio Simani, Afef Fekih
2021, 8(4): 837-847. doi: 10.1109/JAS.2021.1003931
Abstract(2111) HTML (469) PDF(88)
Abstract:
This paper proposes an adaptive sliding mode observer (ASMO)-based approach for wind turbines subject to simultaneous faults in sensors and actuators. The proposed approach enables the simultaneous detection of actuator and sensor faults without the need for any redundant hardware components. Additionally, wind speed variations are considered as unknown disturbances, thus eliminating the need for accurate measurement or estimation. The proposed ASMO enables the accurate estimation and reconstruction of the descriptor states and disturbances. The proposed design implements the principle of separation to enable the use of the nominal controller during faulty conditions. Fault tolerance is achieved by implementing a signal correction scheme to recover the nominal behavior. The performance of the proposed approach is validated using a 4.8 MW wind turbine benchmark model subject to various faults. Monte-Carlo analysis is also carried out to further evaluate the reliability and robustness of the proposed approach in the presence of measurement errors. Simplicity, ease of implementation and the decoupling property are among the positive features of the proposed approach.
Task Scheduling for Multi-Cloud Computing Subject to Security and Reliability Constraints
Qing-Hua Zhu, Huan Tang, Jia-Jie Huang, Yan Hou
2021, 8(4): 848-865. doi: 10.1109/JAS.2021.1003934
Abstract(2905) HTML (608) PDF(118)
Abstract:
The rise of multi-cloud systems has been spurred. For safety-critical missions, it is important to guarantee their security and reliability. To address trust constraints in a heterogeneous multi-cloud environment, this work proposes a novel scheduling method called matching and multi-round allocation (MMA) to optimize the makespan and total cost for all submitted tasks subject to security and reliability constraints. The method is divided into two phases for task scheduling. The first phase is to find the best matching candidate resources for the tasks to meet their preferential demands including performance, security, and reliability in a multi-cloud environment; the second one iteratively performs multiple rounds of re-allocating to optimize tasks execution time and cost by minimizing the variance of the estimated completion time. The proposed algorithm, the modified cuckoo search (MCS), hybrid chaotic particle search (HCPS), modified artificial bee colony (MABC), max-min, and min-min algorithms are implemented in CloudSim to create simulations. The simulations and experimental results show that our proposed method achieves shorter makespan, lower cost, higher resource utilization, and better trade-off between time and economic cost. It is more stable and efficient.
Vibration Control of a High-Rise Building Structure: Theory and Experiment
Yuhua Song, Wei He, Xiuyu He, Zhiji Han
2021, 8(4): 866-875. doi: 10.1109/JAS.2021.1003937
Abstract(1457) HTML (508) PDF(56)
Abstract:
In this study, an innovative solution is developed for vibration suppression of the high-rise building. The infinite dimensional system model has been presented for describing high-rise building structures which have a large inertial load with the help of the Hamilton’s principle. On the basis of this system model and with the use of the Lyapunov’s direct method, a boundary controller is proposed and the closed-loop system is uniformly bounded in the time domain. Finally, by using the Smart Structure laboratory platform which is produced by Quancer, we conduct a set of experiments and find that the designed method is resultful.
Residual-driven Fuzzy C-Means Clustering for Image Segmentation
Cong Wang, Witold Pedrycz, ZhiWu Li, MengChu Zhou
2021, 8(4): 876-889. doi: 10.1109/JAS.2020.1003420
Abstract(2958) HTML (541) PDF(120)
Abstract:
In this paper, we elaborate on residual-driven Fuzzy C-Means (FCM) for image segmentation, which is the first approach that realizes accurate residual (noise/outliers) estimation and enables noise-free image to participate in clustering. We propose a residual-driven FCM framework by integrating into FCM a residual-related regularization term derived from the distribution characteristic of different types of noise. Built on this framework, a weighted $ \ell_{2}$-norm regularization term is presented by weighting mixed noise distribution, thus resulting in a universal residual-driven FCM algorithm in presence of mixed or unknown noise. Besides, with the constraint of spatial information, the residual estimation becomes more reliable than that only considering an observed image itself. Supporting experiments on synthetic, medical, and real-world images are conducted. The results demonstrate the superior effectiveness and efficiency of the proposed algorithm over its peers.
Dynamic Evaluation Strategies for Multiple Aircrafts Formation Using Collision and Matching Probabilities
Hongbo Zhao, Yongming Wen, Sentang Wu, Jia Deng
2021, 8(4): 890-904. doi: 10.1109/JAS.2020.1003198
Abstract(1256) HTML (603) PDF(57)
Abstract:
Configuration evaluation is a key technology to be considered in the design of multiple aircrafts formation (MAF) configurations with high dynamic properties in engineering applications. This paper deduces the relationship between relative velocity, dynamic safety distance and dynamic adjacent distance of formation members, then divides the formation states into collision-state and matching-state. Meanwhile, probability models are constructed based on the binary normal distribution of relative distance and relative velocity. Moreover, configuration evaluation strategies are studied by quantitatively analyzing the denseness and the basic capabilities according to the MAF collision-state probability and the MAF matching-state probability, respectively. The scale of MAF is grouped into 5 levels, and previous lattice-type structures are extended into four degrees by taking the relative velocities into account to instruct the configuration design under complex task conditions. Finally, hardware-in-loop (HIL) simulation and outfield flight test results are presented to verify the feasibility of these evaluation strategies.
Property Preservation of Petri Synthesis Net Based Representation for Embedded Systems
Chuanliang Xia, Chengdong Li
2021, 8(4): 905-915. doi: 10.1109/JAS.2020.1003003
Abstract(2019) HTML (720) PDF(95)
Abstract:
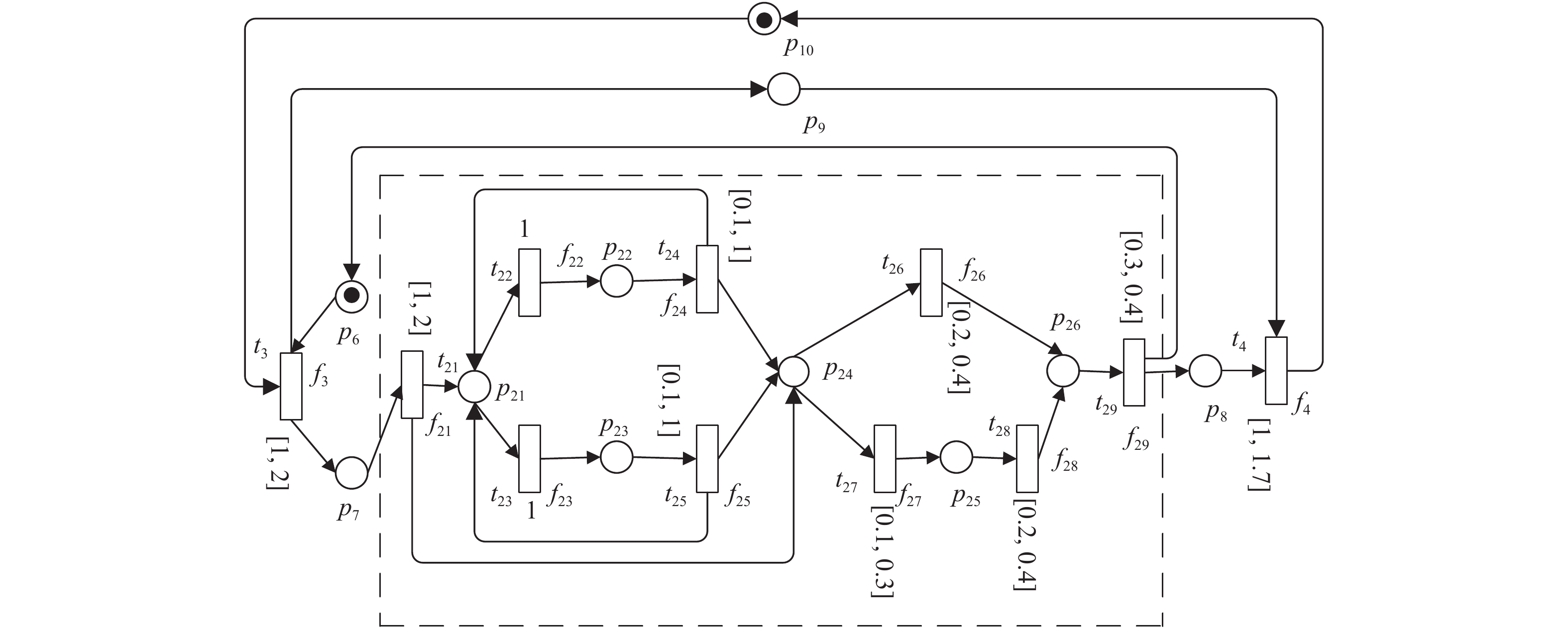
Embedded systems have numerous applications in everyday life. Petri-net-based representation for embedded systems (PRES+) is an important methodology for the modeling and analysis of these embedded systems. For a large complex embedded system, the state space explosion is a difficult problem for PRES+ to model and analyze. The Petri net synthesis method allows one to bypass the state space explosion issue. To solve this problem, as well as model and analyze large complex systems, two synthesis methods for PRES+ are presented in this paper. First, the property preservation of the synthesis shared transition set method is investigated. The property preservation of the synthesis shared transition subnet set method is then studied. An abstraction-synthesis-refinement representation method is proposed. Through this representation method, the synthesis shared transition set approach is used to investigate the property preservation of the synthesis shared transition subnet set operation. Under certain conditions, several important properties of these synthetic nets are preserved, namely reachability, timing, functionality, and liveness. An embedded control system model is used as an example to illustrate the effectiveness of these synthesis methods for PRES+.
Adaptive Pseudo Inverse Control for a Class of Nonlinear Asymmetric and Saturated Nonlinear Hysteretic Systems
Xiuyu Zhang, Ruijing Jing, Zhiwei Li, Zhi Li, Xinkai Chen, Chun-Yi Su
2021, 8(4): 916-928. doi: 10.1109/JAS.2020.1003435
Abstract(1347) HTML (565) PDF(59)
Abstract:
This paper aims at eliminating the asymmetric and saturated hysteresis nonlinearities by designing hysteresis pseudo inverse compensator and robust adaptive dynamic surface control (DSC) scheme. The “pseudo inverse” means that an on-line calculation mechanism of approximate control signal is developed by applying a searching method to the designed temporary control signal where the true control signal is included. The main contributions are summarized as: 1) to our best knowledge, it is the first time to compensate the asymmetric and saturated hysteresis by using hysteresis pseudo inverse compensator because the construction of the true saturated-type hysteresis inverse model is very difficult; 2) by designing the saturated-type hysteresis pseudo inverse compensator, the construction of true explicit hysteresis inverse and the identifications of its corresponding unknown parameters are not required when dealing with the saturated-type hysteresis; 3) by combining DSC technique with the tracking error transformed function, the “explosion of complexity” problem in backstepping method is overcome and the prespecified tracking performance is achieved. Analysis of stability and experimental results on the hardware-in-loop platform illustrate the effectiveness of the proposed adaptive pseudo inverse control scheme.